与您共同创造舒适、惬意的水世界!
销售门店
天猫旗舰店
日本本社
首页
关于我们
关于我们
About Us
公司概要
>
荣誉证书
>
工艺流程
>
企业宣传
>
新品推荐
产品展示
产品展示
Products
浴室用龙头
>
厨房用龙头
>
洗面用龙头
>
单水栓&截止阀
>
管接头
>
配件
>
其他类
>
资讯动态
资讯动态
News
公司快讯
>
公示公告
>
行业资讯
>
服务支持
服务支持
Service Support
产品维修
>
使用指南
>
常见问题
>
售后视频
>
QR动画
>
人才招聘
联系我们
联系我们
Contact Us
联系我们
>
销售门店
>
首页
关于我们
公司概要
荣誉证书
工艺流程
企业宣传
新品推荐
产品展示
浴室用龙头
厨房用龙头
洗面用龙头
单水栓&截止阀
管接头
配件
其他类
资讯动态
公司快讯
公示公告
行业资讯
服务支持
产品维修
使用指南
常见问题
售后视频
QR动画
人才招聘
联系我们
联系我们
销售门店
销售门店
天猫旗舰店
日本本社
产品搜索
浴室用龙头
与您共同创造舒适惬意的水世界
>
首页
>
产品展示
>
浴室用龙头
浴室用龙头
厨房用龙头
洗面用龙头
单水栓&截止阀
管接头
配件
其他类
恒温淋浴水龙头 FTB170KPT
显示标记
功能标记
节约热水
相关说明
外观图
使用说明
施工说明
安装说明
维修
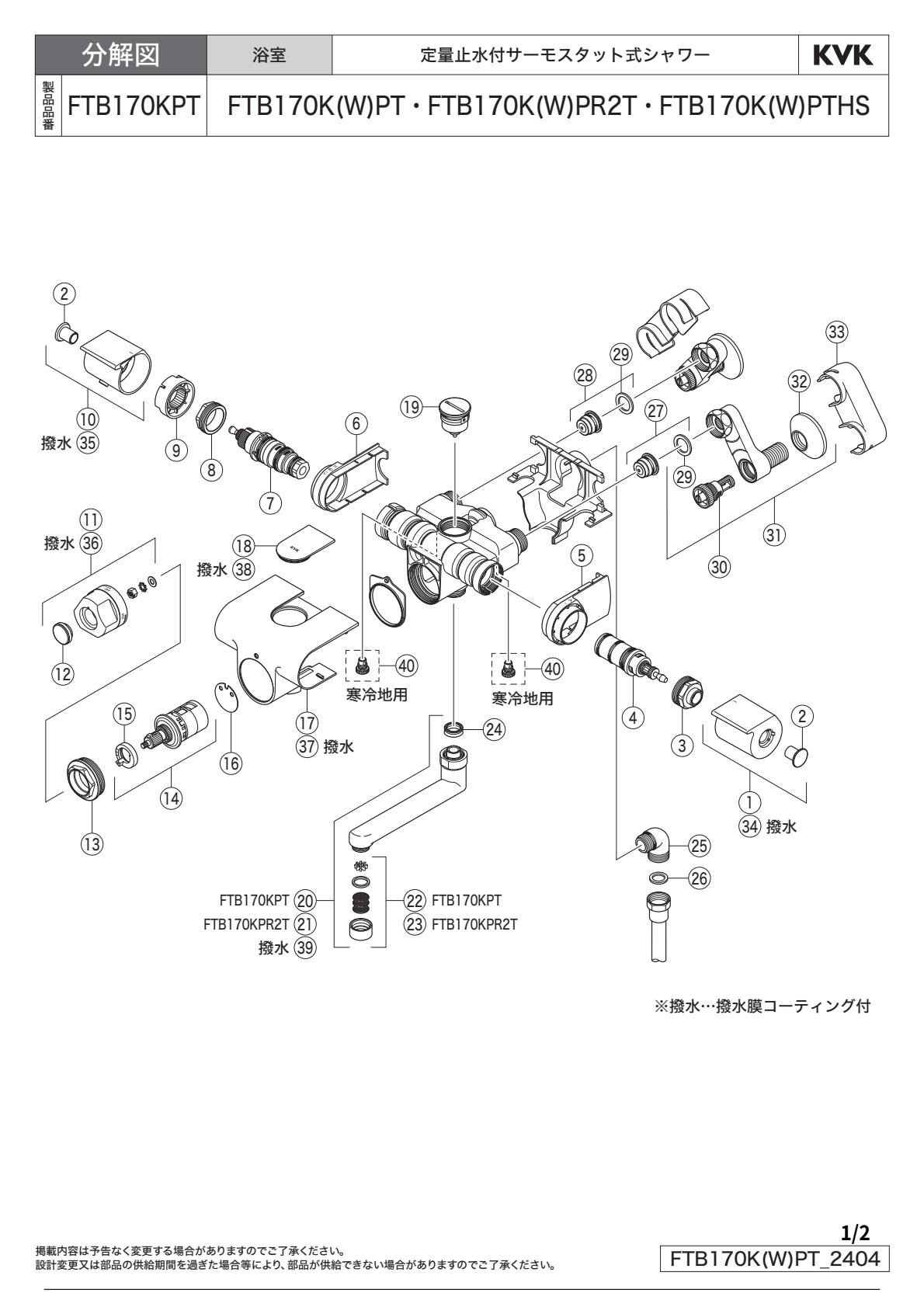
分解图
本体
淋浴
标志说明
产品目录
立即购买
详细说明
■
分解图
■
零件清单
gongmao@kvk.com.cn
0411-87612904